仿真视频演示
仿真资料总览

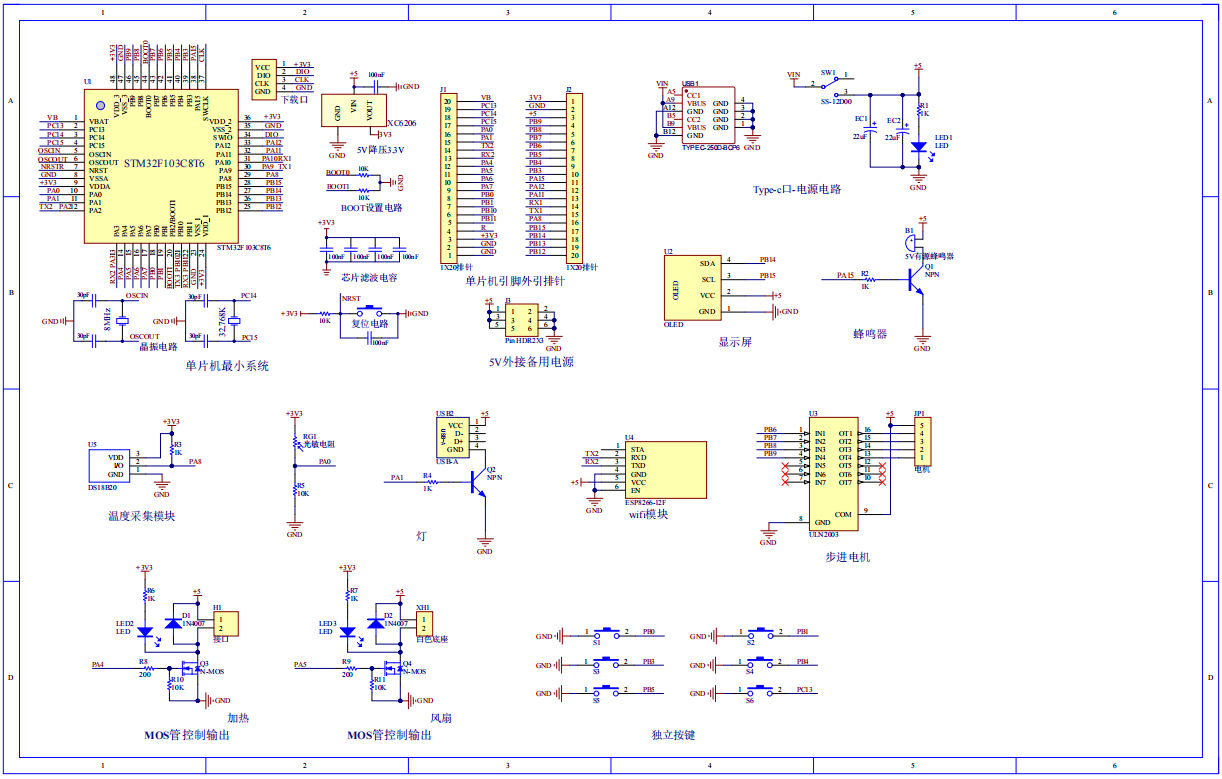
原理图展示
仿真图展示



打包购买(包括实物资料+仿真资料+设计说明书+开题报告+答辩PPT)6
您当前的等级为
登录后免费下载登录
小黑屋反思中,不准下载!
评论后刷新页面下载评论
支付¥以后下载
请先登录
您今天的下载次数(次)用完了,请明天再来
支付积分以后下载立即支付
支付以后下载立即支付
您当前的用户组不允许下载升级会员
您已获得下载权限
您可以每天下载资源次,今日剩余次
声明:本站所有文章,如无特殊说明或标注,均为本站原创发布。任何个人或组织,在未征得本站同意时,禁止复制、盗用、采集、发布本站内容到任何网站、书籍等各类媒体平台。如若本站内容侵犯了原著者的合法权益,可联系我们进行处理。