S2601101M基于语音控制的智能家居健康环境监测系统设计

 S2601101M基于语音控制的智能家居健康环境监测系统设计实物视频演示

实物资料总览

S2601101M基于语音控制的智能家居健康环境监测系统设计

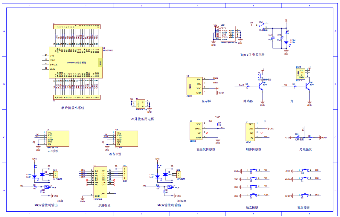
原理图展示S2601101M基于语音控制的智能家居健康环境监测系统设计

S2601101M基于语音控制的智能家居健康环境监测系统设计

PCB展示

S2601101M基于语音控制的智能家居健康环境监测系统设计

实物演示图

S2601101M基于语音控制的智能家居健康环境监测系统设计

S2601101M基于语音控制的智能家居健康环境监测系统设计

开题报告
1
实物资料
2
仿真资料
3
设计说明书
4
答辩PPT
5
打包购买(包括实物资料+仿真资料+设计说明书+开题报告+答辩PPT)
6
下载权限
查看
  • 免费下载
    评论并刷新后下载
    登录后下载
  • {{attr.name}}:
您当前的等级为
登录后免费下载登录 小黑屋反思中,不准下载! 评论后刷新页面下载评论 支付以后下载 请先登录 您今天的下载次数(次)用完了,请明天再来 支付积分以后下载立即支付 支付以后下载立即支付 您当前的用户组不允许下载升级会员
您已获得下载权限 您可以每天下载资源次,今日剩余
声明:本站所有文章,如无特殊说明或标注,均为本站原创发布。任何个人或组织,在未征得本站同意时,禁止复制、盗用、采集、发布本站内容到任何网站、书籍等各类媒体平台。如若本站内容侵犯了原著者的合法权益,可联系我们进行处理。
STM32单片机物联网设计设计专区

S2601001M基于NB-IoT的农业大棚环境监控系统设计与实现

2025-12-30 11:13:55

STM32单片机物联网设计设计专区

S2601201M基于物联网的智能衣柜设计

2025-12-30 11:39:05

0 条回复 A文章作者 M管理员
    暂无讨论,说说你的看法吧
个人中心
购物车
优惠劵
今日签到
有新私信 私信列表
搜索